Slicer G064

Order Number: XX-XXXXX-XX

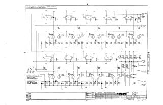
This document is a technical schematic for a Digital Equipment Corporation "Slicer" circuit module (G064). The diagram depicts a transistor-based logic circuit utilizing DEC7474 integrated circuits, DEC6534B transistors, and associated diodes and resistors. The schematic details signal inputs/outputs (labeled AL through B), power connections (ground, +5V, -5V, -15V), and component specifications, including capacitance values for filtering and voltage regulation. The document includes standard engineering annotations regarding component tolerances and pin configurations.

XX-XXXXX-XX
2000
1 pages
Quality

Original
0.1MB

Site structure and layout ©2025 Majenko Technologies