Peak Detector G062

Order Number: XX-XXXXX-XX

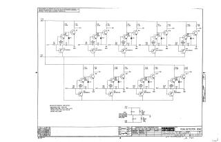
Summary: This document is a technical schematic diagram for a "Peak Detector" circuit designed by Digital Equipment Corporation in 1970. The circuit features multiple repeating stages of transistor-based signal processing, utilizing DEC-specific components such as the 6531 and 6534B transistors, along with various resistors, capacitors, and diodes. The diagram includes power distribution rails (+5V and -15V), input/output terminal points (e.g., AL1, AL2, ANI, BDI), and a "Transistor & Diode Conversion Chart" detailing equivalent component types.

XX-XXXXX-XX
2000
1 pages
Quality

Original
74.8kB

Site structure and layout ©2025 Majenko Technologies