Master Slice Control G023

Order Number: XX-XXXXX-XX

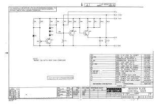
This document is a technical schematic for a Digital Equipment Corporation "Master Slice Control" circuit, dated July 1967. The schematic details an electronic circuit incorporating three transistors (Q1, Q2, and Q3), multiple resistors, capacitors, and diodes (D1-D4). The diagram includes a power supply interface for +10V, -15V, and Ground. The document also provides a comprehensive parts list, specifying the values and part numbers for all components used in the assembly, and includes a note requiring heat sink compound for transistor Q3.

XX-XXXXX-XX
2000
1 pages
Quality

Original
80.1kB

Site structure and layout ©2025 Majenko Technologies