Four Input Sense Amp. G022

Order Number: XX-XXXXX-XX

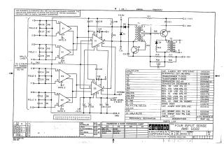
Summary This document is a technical schematic and parts list for a "Four Input Sense Amp," model G022, designed by Digital Equipment Corporation (dated 1967).

The circuit diagram illustrates the electrical configuration of the sense amplifier, which includes:

  • Input Section: Four input channels (Field 0 through Field 3) utilizing integrated circuits (E1, E2) to process incoming signals.
  • Logic and Processing: A centralized processing stage using additional logic gates and capacitors for signal conditioning.
  • Output/Power Stage: A transformer-coupled output stage utilizing transistors (Q1, Q2), diodes (D1-D3), and power supply rails of +10V, +5.5V, and -15V.
  • Component Specification: An integrated parts list detailing the specific transistors, transformers, resistors, and capacitors required to build the circuit, including their respective Digital Equipment Corporation part numbers.
XX-XXXXX-XX
2000
1 pages
Quality

Original
0.1MB

Site structure and layout ©2025 Majenko Technologies