Sense Amp. G021

Order Number: XX-XXXXX-XX

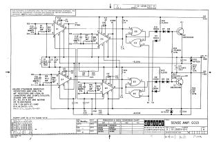
Summary: This document is a technical schematic for the "Sense Amp. G021" circuit, designed by Digital Equipment Corporation in 1967. The circuit utilizes several integrated circuits (specifically MC1540 and DEC7400N components) and transistors (DEC3009B) to process signals. The schematic details the connections for resistors, capacitors, and diodes, operating on a dual-rail power supply (+5V, -6.2V, and -15V). It includes a transistor and diode conversion chart and specifies standard component values, noting that all unspecified resistors are 1/4W, 5% and capacitors are .01 MFD, 100V, 20%.

XX-XXXXX-XX
2000
1 pages
Quality

Original
0.1MB

Site structure and layout ©2025 Majenko Technologies