Sense Amp. G020

Order Number: XX-XXXXX-XX

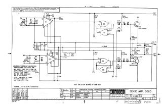
This document is a technical schematic for a "Sense Amp. G020" circuit board, designed by the Digital Equipment Corporation in 1967. The schematic illustrates the electrical connections for the circuit, which incorporates transistors (DEC3009B), diodes (D664, IN753A), and integrated circuits (MC1540G and DEC7400N). The diagram includes power inputs for +5V, -6.2VA, -4VA, and -15V, and provides a parts list reference for the G021 etch board. Specific notes indicate that resistors are 1/4W, 5% and film resistors are 1/8W, 1%.

XX-XXXXX-XX
2000
1 pages
Quality

Original
95.3kB

Site structure and layout ©2025 Majenko Technologies