4 Input DC Sense Amplifier G005

Order Number: XX-XXXXX-XX

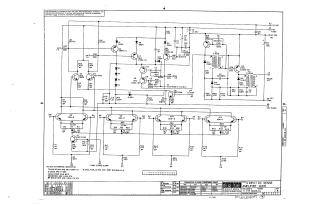
Summary: This document is a technical schematic diagram for a "4 Input DC Sense Amplifier" manufactured by Digital Equipment Corporation, dated February 8, 1965. The circuit utilizes a complex arrangement of transistors (including DEC 2894-3A/3B and DEC 3563), diodes (D-664), resistors, and capacitors to process four input signals. The diagram illustrates signal paths, a first-stage clamp, a pulse output stage, and voltage supply connections (including +10V MC and -15V). It includes a transistor and diode conversion chart and technical specifications noting that all resistors are 1/8W, 5% unless otherwise specified.

XX-XXXXX-XX
2000
1 pages
Quality

Original
94.7kB

Site structure and layout ©2025 Majenko Technologies