Delay With Pulse Amplifier B360

Order Number: XX-XXXXX-XX

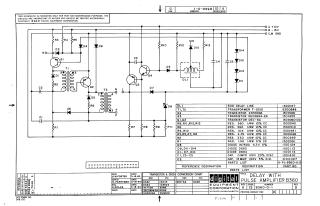
This document is a technical schematic diagram for a "Delay With Pulse Amplifier" (module B360) designed by Digital Equipment Corporation in 1964. The schematic illustrates the electronic circuit configuration, which utilizes transistors (Q1–Q4), a delay line (DL1), transformers (T1, T2), and various diodes, resistors, and capacitors. The document includes a comprehensive parts list detailing the specific components, their descriptions, and their associated part numbers to facilitate maintenance and testing.

XX-XXXXX-XX
2000
1 pages
Quality

Original
0.1MB

Site structure and layout ©2025 Majenko Technologies