Jam Flip-Flop B213

Order Number: XX-XXXXX-XX

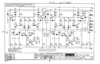
This document is a technical schematic diagram for a Digital Equipment Corporation "Jam Flip-Flop" circuit, identified as module B213. Dated February 1966, the diagram illustrates the electronic circuit design, which utilizes multiple transistors (DEC 3639B), diodes (D664), and resistors to manage logic states. The schematic specifies power requirements of +10V and -15V, defines component values, and includes a conversion chart for the transistors and diodes used in the assembly.

XX-XXXXX-XX
2000
1 pages
Quality

Original
0.1MB

Site structure and layout ©2025 Majenko Technologies