Half Binary To Octal Decoder B156

Order Number: XX-XXXXX-XX

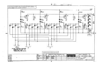
Summary This document is a 1966 schematic diagram provided by Digital Equipment Corporation for a "Half Binary to Octal Decoder" (module B156). The circuit utilizes four transistors (Q1–Q4) and a network of D-662/D-664 diodes and resistors to perform binary-to-octal decoding logic. The diagram includes specific component values, signal input/output pins (marked L, K, E, F, H, J), and power requirements (-15V, -3V, and ground). It also includes a conversion chart for the transistors and diodes used in the design.

XX-XXXXX-XX
2000
1 pages
Quality

Original
96.8kB

Site structure and layout ©2025 Majenko Technologies