Diode Gate Bi37

Order Number: XX-XXXXX-XX

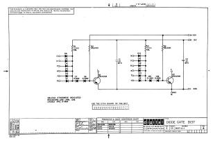
This document is a technical schematic for a "Diode Gate" circuit (model BI37) designed by Digital Equipment Corporation in 1966. The circuit features two main transistor stages (utilizing 2N4258 transistors) configured with multiple input diodes (D1 through D16). The schematic includes a transistor and diode conversion chart and specifies that it is to be used with an etched board (BI17). Standard components include 7,500-ohm and 68,000-ohm resistors, .01 MFD capacitors, and D-662/D-664 diodes.

XX-XXXXX-XX
2000
1 pages
Quality

Original
55.9kB

Site structure and layout ©2025 Majenko Technologies