Diode Gate B133

Order Number: XX-XXXXX-XX

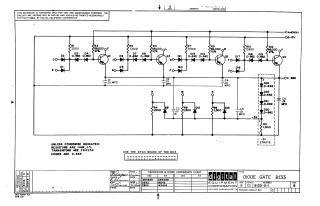
This document is a technical schematic diagram from 1966 for a Diode Gate circuit (model B133) produced by Digital Equipment Corporation. The schematic illustrates a logic gate configuration utilizing transistors (2N4258), various diodes (D-662 and D-664), resistors, and capacitors. It specifies that the circuit is designed for test and maintenance purposes, notes the components used, and indicates that it is intended for use with the B113 etch board.

XX-XXXXX-XX
2000
1 pages
Quality

Original
72.9kB

Site structure and layout ©2025 Majenko Technologies