Diode Gate Bii7

Order Number: XX-XXXXX-XX

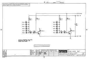
This document is a technical schematic for a "Diode Gate" circuit (number B117-0-1), copyrighted in 1964 by the Digital Equipment Corporation. The circuit utilizes two DEC 2894-1 transistors, a series of D-662 diodes, and several resistors to manage two sets of inputs (labeled D-K and N-U) and provide outputs at terminals M and OC. The schematic specifies that unless otherwise noted, resistors are 1/4W 10% and diodes are D-664. It also includes a conversion chart for the diodes used in the circuit.

XX-XXXXX-XX
2000
1 pages
Quality

Original
53.7kB

Site structure and layout ©2025 Majenko Technologies