Diode Gate Bii5

Order Number: XX-XXXXX-XX

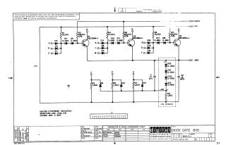
This document is a technical schematic for a Digital Equipment Corporation "Diode Gate" circuit (BII5), dated April 30, 1964. The circuit utilizes three DEC2894-1 transistors (Q1, Q2, Q3) and an array of D-662 and D-664 diodes. The design includes multiple input terminals (D through T) and output junctions, utilizing resistors and capacitors to manage signal conversion and gating logic. The schematic includes standard component values, such as 12k and 68k ohm resistors, and specifies that all diodes are D-664 and resistors are 1/4W, 5%.

XX-XXXXX-XX
2000
1 pages
Quality

Original
69.8kB

Site structure and layout ©2025 Majenko Technologies