Inverter Bi04

Order Number: XX-XXXXX-XX

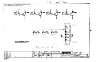
Summary This document is a technical schematic for a Digital Equipment Corporation "Inverter BI04" circuit module. It details a transistorized logic circuit featuring four input/output stages (utilizing DEC2894-1 transistors) and a common biasing section. The circuit employs a network of resistors, capacitors, and diodes (D-664 and D-662 series) designed to operate between -15V and Ground, with specific sub-sections designated as "-3V Strate." The document includes a "Transistor & Diode Conversion Chart" mapping the components to their respective DEC and EIA industry part numbers.

XX-XXXXX-XX
2000
1 pages
Quality

Original
62.4kB

Site structure and layout ©2025 Majenko Technologies