3 Bit Dac A601

Order Number: XX-XXXXX-XX

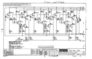
Summary: This document is a technical schematic for a 3-bit Digital-to-Analog Converter (DAC) module, manufactured by Digital Equipment Corporation in 1964. The diagram details the electronic circuitry, including the arrangement of transistors (DEC3009B, 2N1305, DEC6B), diodes (D-003, D-662), and various resistors and capacitors required for the conversion process. It includes connection points for power inputs (ground, +10V, -15V), the DAC input, and the DAC output, as well as a transistor and diode conversion chart for maintenance and reference purposes.

XX-XXXXX-XX
2000
1 pages
Quality

Original
0.1MB

Site structure and layout ©2025 Majenko Technologies