Analog Buffer A215

Order Number: XX-XXXXX-XX

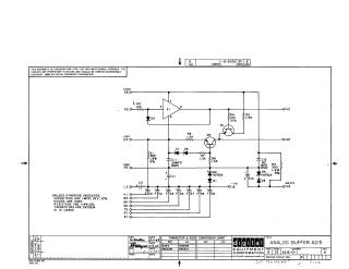
Summary: This document is a technical schematic from 1969 for an "Analog Buffer A215" circuit designed by Digital Equipment Corporation. The circuit utilizes an LM302 operational amplifier (E1) and two transistors (Q1 and Q2) to process analog signals. The schematic includes a detailed component list, noting that capacitors are 1µF (10%), resistors are 1/4W (5%), and diodes are D664. It also features a transistor and diode conversion chart and specifies standard operating power rails of +15V, -15V, and a reference of -7V.

XX-XXXXX-XX
2000
1 pages
Quality

Original
34.8kB

Site structure and layout ©2025 Majenko Technologies