Digital PDFs
Documents
Guest
Register
Log In
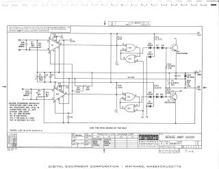
G020 PCB rev E
Order Number: XX-7A4F1-B1
/ Hardware / Components / Flip Chip Modules
XX-7A4F1-B1
2000
1 pages
Quality
Original
0.4MB
view
download
Home
Privacy and Data
Site structure and layout ©2025 Majenko Technologies