Digital PDFs
Documents
Guest
Register
Log In
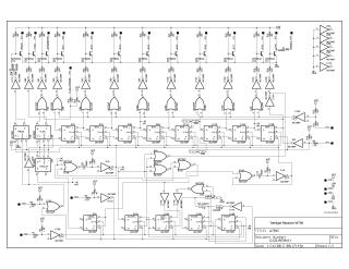
W706C
Order Number: XX-30C2B-20
/ Hardware / Components / Flip Chip Modules / Wxxx
XX-30C2B-20
2000
1 pages
Quality
Original
0.4MB
view
download
Home
Privacy and Data
Site structure and layout ©2025 Majenko Technologies