Digital PDFs
Documents
Guest
Register
Log In
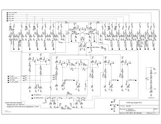
R210X
Order Number: XX-44D92-67
/ Hardware / Components / Flip Chip Modules / Rxxx
XX-44D92-67
2000
1 pages
Quality
Original
0.4MB
view
download
Home
Privacy and Data
Site structure and layout ©2025 Majenko Technologies