Digital PDFs
Documents
Guest
Register
Log In
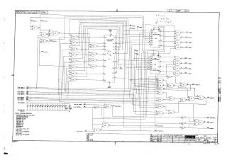
M891D
Order Number: XX-FC87B-3B
/ Hardware / Components / Flip Chip Modules / Mxxx
XX-FC87B-3B
2000
2 pages
Quality
Original
1.2MB
view
download
Home
Privacy and Data
Site structure and layout ©2025 Majenko Technologies