Digital PDFs
Documents
Guest
Register
Log In
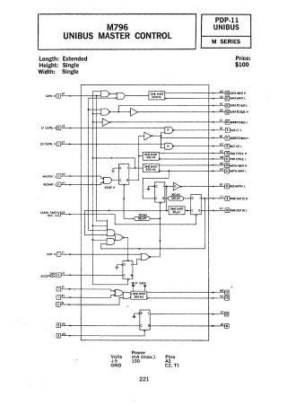
M796-ds
Order Number: XX-B494E-44
/ Hardware / Components / Flip Chip Modules / Mxxx
XX-B494E-44
May 2000
3 pages
Quality
Original
0.7MB
view
download
Home
Privacy and Data
Site structure and layout ©2025 Majenko Technologies