Digital PDFs
Documents
Guest
Register
Log In
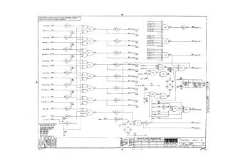
M7712F
Order Number: XX-C9594-78
/ Hardware / Components / Flip Chip Modules / Mxxx
XX-C9594-78
2000
1 pages
Quality
Original
0.3MB
view
download
Home
Privacy and Data
Site structure and layout ©2025 Majenko Technologies