Digital PDFs
Documents
Guest
Register
Log In
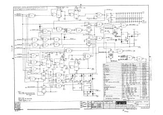
M717C
Order Number: XX-72F32-65
/ Hardware / Components / Flip Chip Modules / Mxxx
XX-72F32-65
2000
1 pages
Quality
Original
0.6MB
view
download
Home
Privacy and Data
Site structure and layout ©2025 Majenko Technologies