Digital PDFs
Documents
Guest
Register
Log In
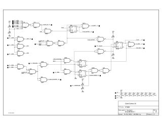
M708B
Order Number: XX-36B8C-00
/ Hardware / Components / Flip Chip Modules / Mxxx
XX-36B8C-00
2000
1 pages
Quality
Original
0.1MB
view
download
Home
Privacy and Data
Site structure and layout ©2025 Majenko Technologies