Digital PDFs
Documents
Guest
Register
Log In
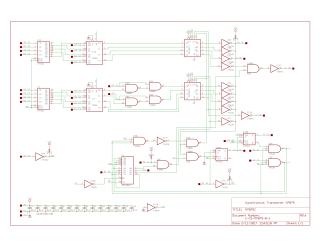
M7075C
Order Number: XX-EA64F-FE
/ Hardware / Components / Flip Chip Modules / Mxxx
XX-EA64F-FE
2000
1 pages
Quality
Original
54.5kB
view
download
Home
Privacy and Data
Site structure and layout ©2025 Majenko Technologies