Digital PDFs
Documents
Guest
Register
Log In
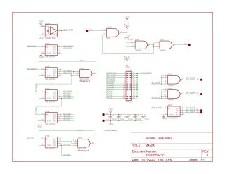
M452X
Order Number: XX-F85AC-EB
/ Hardware / Components / Flip Chip Modules / Mxxx
XX-F85AC-EB
2000
1 pages
Quality
Original
22.3kB
view
download
Home
Privacy and Data
Site structure and layout ©2025 Majenko Technologies