Digital PDFs
Documents
Guest
Register
Log In
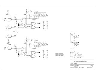
M307X
Order Number: XX-06682-95
/ Hardware / Components / Flip Chip Modules / Mxxx
XX-06682-95
2000
1 pages
Quality
Original
0.2MB
view
download
Home
Privacy and Data
Site structure and layout ©2025 Majenko Technologies