Digital PDFs
Documents
Guest
Register
Log In
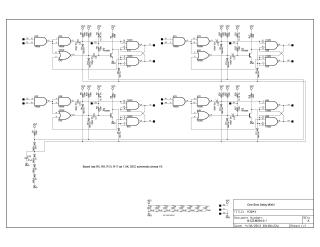
M304X
Order Number: XX-1DF3C-F2
/ Hardware / Components / Flip Chip Modules / Mxxx
XX-1DF3C-F2
2000
1 pages
Quality
Original
0.2MB
view
download
Home
Privacy and Data
Site structure and layout ©2025 Majenko Technologies