Digital PDFs
Documents
Guest
Register
Log In
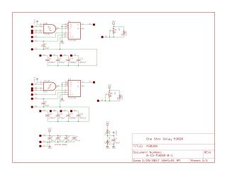
M3020X
Order Number: XX-4FC6E-20
/ Hardware / Components / Flip Chip Modules / Mxxx
XX-4FC6E-20
2000
1 pages
Quality
Original
23.1kB
view
download
Home
Privacy and Data
Site structure and layout ©2025 Majenko Technologies