Digital PDFs
Documents
Guest
Register
Log In
M1-ds
Order Number: XX-3E25B-25
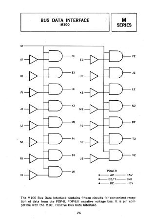
/ Hardware / Components / Flip Chip Modules / Mxxx
XX-3E25B-25
2000
2 pages
Quality
Original
0.2MB
view
download
Home
Privacy and Data
Site structure and layout ©2025 Majenko Technologies