Digital PDFs
Documents
Guest
Register
Log In
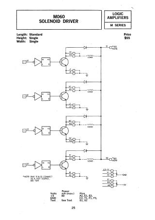
M060-ds
Order Number: XX-8F108-CD
/ Hardware / Components / Flip Chip Modules / Mxxx
XX-8F108-CD
May 2000
2 pages
Quality
Original
0.3MB
view
download
Home
Privacy and Data
Site structure and layout ©2025 Majenko Technologies