Digital PDFs
Documents
Guest
Register
Log In
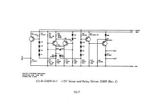
G809J
Order Number: XX-A0CD7-47
/ Hardware / Components / Flip Chip Modules / Gxxx
XX-A0CD7-47
2000
1 pages
Quality
Original
0.3MB
view
download
Home
Privacy and Data
Site structure and layout ©2025 Majenko Technologies