Digital PDFs
Documents
Guest
Register
Log In
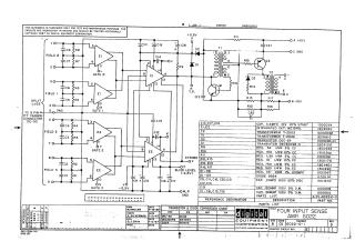
G022E
Order Number: XX-41C8F-2A
/ Hardware / Components / Flip Chip Modules / Gxxx
XX-41C8F-2A
1967
1 pages
Quality
Original
0.5MB
view
download
Home
Privacy and Data
Site structure and layout ©2025 Majenko Technologies