Digital PDFs
Documents
Guest
Register
Log In
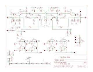
B201X
Order Number: XX-49BCF-07
/ Hardware / Components / Flip Chip Modules / Bxxx
XX-49BCF-07
2000
1 pages
Quality
Original
61.2kB
view
download
Home
Privacy and Data
Site structure and layout ©2025 Majenko Technologies