Digital PDFs
Documents
Guest
Register
Log In
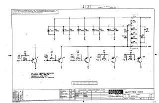
B105D
Order Number: XX-4DF68-DA
/ Hardware / Components / Flip Chip Modules / Bxxx
XX-4DF68-DA
2000
1 pages
Quality
Original
0.3MB
view
download
Home
Privacy and Data
Site structure and layout ©2025 Majenko Technologies