Digital PDFs
Documents
Guest
Register
Log In
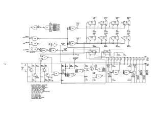
M710
Order Number: XX-D79FF-87
/ Hardware / Components / Flip Chip Modules / Mxxx
XX-D79FF-87
2000
1 pages
Quality
Original
0.7MB
view
download
Home
Privacy and Data
Site structure and layout ©2025 Majenko Technologies